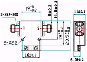
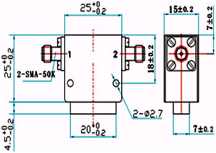
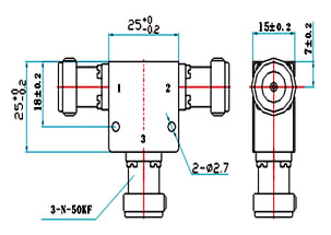
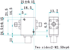
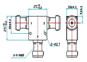
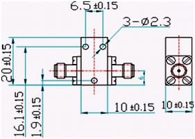
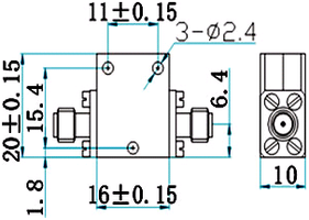
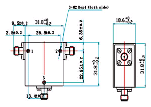
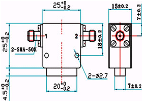
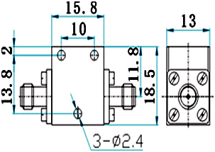
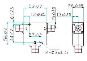
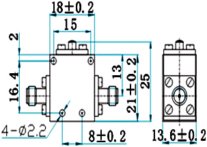
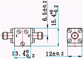
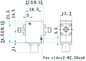
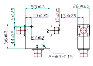
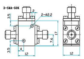
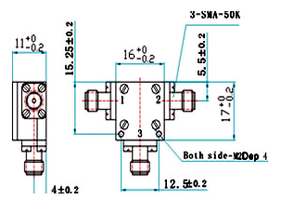
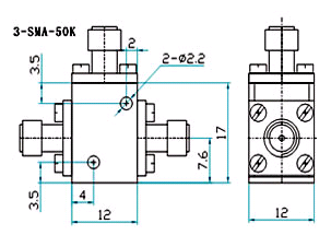
circulators

Operating

Frequency

(MHz)

I.L.

(dB)

Max

Iso

(dB)

Min

VSWR

Max

Average Power

(W)

300-350

0.5

20

1.25

300

350-420

0.4

21

1.22

300

380-480

0.5

20

1.25

300

380-512

0.5

19

1.28

300

500-600

0.5

20

1.25

300

 

Operating temperature: -40~+85℃
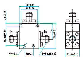
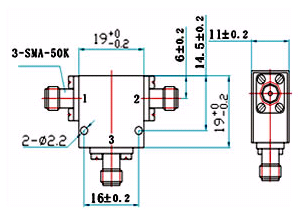
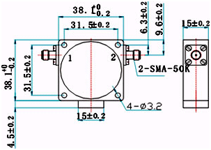
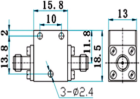
Input/output: SMA or N type
Finish: Nickel plated (default)

For more information: contact us  

Operating

Frequency

(MHz)

I.L.

(dB)

Max

Iso

(dB)

Min

VSWR

Max

Average

Power

(W)

400-450

0.4

21

1.25

100

460-525

0.4

21

1.22

100

525-650

0.5

20

1.25

100

650-800

0.5

20

1.25

100

800-1000

0.5

20

1.25

100


Operating temperature: -40~+85℃
Input/output: SMA or N type
Finish: Nickel plated (default)

For more information: contact us  

 

Operating

Frequency

(MHz)

I.L.

(dB)

Max

Iso

(dB)

Min

VSWR

Max

Average

Power

(W)

700-850

0.5

20

1.25

100

850-1050

0.4

21

1.22

100

960-1215

0.5

20

1.25

100

1200-1400

0.4

20

1.25

100

1400-1650

0.5

20

1.25

100

1500-1850

0.5

20

1.25

100


Operating temperature: -40~+85℃
Input/output: SMA or N type
Finish: Nickle plated (default)

For more information: contact us  

 

Operating

Frequency

(MHz)

I.L.

(dB)

Max

Iso

(dB)

Min

VSWR

Max

Average

Power

(W)

800-1000

0.5

20

1.25

100

960-1215

0.5

20

1.25

100

1200-1400

0.3

21

1.22

100

1225-1475

0.4

20

1.25

100

1800-2200

0.5

20

1.25

100

1500-1850

0.4

20

1.25

100

2300-2500

0.3

21

1.22

100


Operating temperature: -40~+85℃
Input/output: SMA or N type
Finish: Nickel plated (default)

For more information: contact us  

 

Operating

Frequency

(MHz)

I.L.

(dB)

Max

Iso.

(dB)

Min

VSWR

Max

Average

Power

(W)

960-1215

0.4

20

1.25

50

1200-1400

0.5

20

1.25

50

1500-1850

0.4

20

1.25

50

1800-2200

0.3

20

1.25

50

2300-2500

0.3

21

1.22

50

2200-2700

0.4

20

1.25

50

2700-3100

0.4

21

1.22

50


Operating temperature: -20~+70℃
Input/output: SMA or N type
Finish: Nickle plated (default)

For more information: contact us  

Operating

Frequency

(MHz)

I.L.

(dB)

Max

Iso.

(dB)

Min

VSWR

Max

Average

Power

(W)

1200-1400

0.4

20

1.25

100

1500-1850

0.4

20

1.25

100

1800-2100

0.4

20

1.25

100

2000-2300

0.4

20

1.25

100

2200-2700

0.4

20

1.25

100

2700-3100

0.4

21

1.22

100


Operating temperature: -40~+85℃
Input/output: SMA or N type
Finish: Nickle plated (default)

For more information: contact us  

 

Operating

Frequency

(MHz)

I.L.

(dB)

Max

Iso.

(dB)

Min

VSWR

Max

Power

(W)

(Pk/Fwd)

1300-1500

0.5

20

1.25

50/10

1500-1700

0.4

20

1.25

50/10


Operating temperature: -40~+85℃
Input/output: SMA
Finish: Nickle plated (default)

For more information: contact us  

Center

Frequency

(GHz)

Relative

Bandwidth

I.L.

(dB)

Max

Iso.

(dB)

Min

VSWR

Max

Power

(W)

(Pk/Fwd)

2.7-3.5

20%

0.5

18

1.25

500/50


Operating temperature: -40~+70℃
Input/output: SMA or N type
Finish: Nickle plated (default)

For more information: contact us  

 

Center

Frequency

(GHz)

Relative

Bandwidth

I.L.

(dB)

Max

Iso.

(dB)

Min

VSWR

Max

Power

(W)

(Pk/Fwd)

3.3-4.5

20%

0.3

22

1.2

500/50


Operating temperature: -40~+70℃
Input/output: SMA
Finish: Nickle plated (default)

For more information: contact us  

 

Center

Frequency

(GHz)

Relative

Bandwidth

I.L.

(dB)

Max

Iso.

(dB)

Min

VSWR

Max

Power

(W)

(Pk/Fwd)

4.0-6.0

20%

0.3

20

1.25

400/40


Operating temperature: -40~+70℃
Input/output: SMA or N type
Finish: Nickle plated (default)

For more information: contact us  

 

Center

Frequency

(GHz)

Relative

Bandwidth

I.L.

(dB)

Max

Iso.

(dB)

Min

VSWR

Max

Power

(W)

(Pk/Fwd)

4.5-8.0

20%

0.35

20

1.25

400/40W


Operating temperature: -40~+70℃
Input/output: SMA
Finish: Nickle plated (default)

For more information: contact us  

 

Center

Frequency

(GHz)

Relative

Bandwidth

I.L.

(dB)

Max

Iso.

(dB)

Min

VSWR

Max

Power

(W)

(Pk/Fwd)

7.0-9.0

20%

0.3

20

1.25

200/20


Operating temperature: -40~+70℃
Input/output: SMA
Finish: Nickle plated (default)

For more information: contact us  

 

Center

Frequency

(GHz)

Relative

Bandwidth

I.L.

(dB)

Max

Iso.

(dB)

Min

VSWR

Max

Power

(W)

(Pk/Fwd)

8.5-11.5

20%

0.3

20

1.25

200/20


Operating temperature: -40~+70℃
Input/output: SMA
Finish: Nickle plated (default)

For more information: contact us  

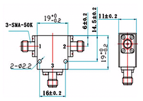
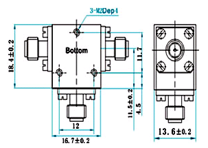
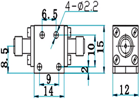
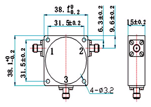
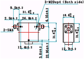
isolators

 

Operating
Frequency
(MHz)

I.L.
(dB)
Max

Iso
(dB)
Min

VSWR
Max

Average
Power (W)
(FWD/REV)

300-350

0.5

20

1.25

300/200

350-420

0.4

21

1.22

300/200

380-480

0.5

20

1.25

300/200

380-512

0.5

19

1.28

300/200

500-600

0.5

20

1.25

300/200

 

 

Operating temperature: -40~~+85℃
Input/output: SMA or N type
Finish: Nickle plated (default)

 

For more information: contact us  

 

Operating
Frequency
MHz)

I.L.
(dB)
Max

Iso
(dB)
Min

VSWR
Max

Average
Power
(W)

400-450

0.4

21

1.25

100

460-525

0.4

21

1.22

100

525-650

0.5

20

1.25

100

650-800

0.5

20

1.25

100

800-1000

0.5

20

1.25

100

 

 

Operating temperature: -40~~+85℃
Input/output: SMA or N type
Finish: Nickle plated (default)

For more information: contact us  

 

Operating
Frequency
(MHz)

I.L.
(dB)
Max

Iso
(dB)
Min

VSWR
Max

Average
Power
(W)

700-850

0.5

20

1.25

100

850-1050

0.4

21

1.22

100

960-1215

0.5

20

1.25

100

1200-1400

0.4

20

1.25

100

1400-1650

0.5

20

1.25

100

1500-1850

0.5

20

1.25

100

 

 

Operating temperature: -40~~+85℃
Input/output: SMA or N type
Finish: Nickle plated (default)

For more information: contact us  

 

Operating
Frequency
(MHz)

I.L.
(dB)
Max

Iso.
(dB)
Min

VSWR
Max

Average
Power
(W)

800-1000

0.5

20

1.25

100

960-1215

0.5

20

1.25

100

1200-1400

0.3

21

1.22

100

1225-1475

0.4

20

1.25

100

1800-2200

0.5

20

1.25

100

1500-1850

0.4

20

1.25

100

 

Operating temperature: -40~~+85℃
Input/output: SMA or N type
Finish: Nickle plated (default)

For more information: contact us  

 

Operating
Frequency
(MHz)

I.L.
(dB)
Max

Iso.
(dB)
Min

VSWR
Max

Average
Power
(W)

960-1215

0.4

20

1.25

50

1200-1400

0.5

20

1.25

50

1500-1850

0.4

20

1.25

50

1800-2200

0.4

20

1.25

50

2300-2500

0.3

21

1.22

50

2200-2700

0.4

20

1.25

50

2700-3100

0.4

21

1.22

50

 

Operating temperature: -20~~+70℃
Input/output: SMA or N type
Finish: Nickle plated (default)

For more information: contact us  

 

Operating
Frequency
(MHz)

I.L.
(dB)
Max

Iso.
(dB)
Min

VSWR
Max

Average
Power
(W)

1200-1400

0.4

20

1.25

100

1500-1850

0.4

20

1.25

100

1800-2100

0.4

20

1.25

100

2000-2300

0.4

20

1.25

100

2200-2500

0.4

20

1.25

100

 

Operating temperature: -40~~+85℃
Input/output: SMA
Finish: Nickle plated (default)

For more information: contact us  

 

Operating
Frequency
(MHz)

I.L.
(dB)
Max

Iso.
(dB)
Min

VSWR
Max

Average Power(W)
(FWD/REV)

1300-1500

0.4

20

1.25

50/10

1500-1700

0.5

20

1.25

50/10

 

Operating temperature: -40~~+85℃
Input/output: SMA
Finish: Nickle plated (default)

For more information: contact us  

 

Operating
Frequency
(GHz)

I.L.
(dB)
Max

Iso.
(dB)
Min

VSWR
Max

Average Power(W)
(FWD/REV)

1.8-2.0

0.4

20

1.25

60/10

2.0-2.2

0.4

20

1.25

60/10

2.3-2.8

0.4

20

1.25

60/10

2.5-2.8

0.4

20

1.25

60/10

2.2-2.5

0.4

20

1.25

60/10

 

Operating temperature: -40~~+70℃
Input/output: SMA
Finish: Nickle plated (default)

For more information: contact us  

 

Frequency
(GHz)

Relative
Bandwidth

I.L.
(dB)
Max.

Iso.
(dB)
Min

VSWR
Max.

Average Power(W)
(FWD/REV)

2.7-3.5

20%

0.5

18

1.25

40/10W

 

 

 

 


Operating Power: -40~+70℃
Input/Output: SMA or N type
Finish: Nickel Plated (Default)

For more information: contact us  

 

Frequency
GHz

Relative
Bandwidth

I.L.
(dB)
Max.

Iso
(dB)
Min.

VSWR
Max.

Average Power(W)
(FWD/REV)

3.34.5

15%

0.30

22

1.20

40/10

3.34.5

18%

0.35

20

1.25

40/10

3.44.2

Full

0.40

20

1.25

40/10

 

 

 

 

 

 

 

Operating temperature: -40~~+70℃
Input/output: SMA or N type
Finish: Nickle plated (default)

For more information: contact us  

 

Frequency
GHz

Relative
Bandwidth

I.L.
(dB)
Max.

Iso.
(dB)
Min.

VSWR
Max.

Average Power(W)
(FWD/REV)

3.34.5

20%

0.35

20

1.25

10/1

3.44.2

Full

0.40

20

1.25

10/1

 

 

 

 

 

 

Operating Power: -40~+70℃
Input/Output: SMA or N type
Finish: Nickel Plated (Default)

For more information: contact us  

 

Frequency
GHz

Relative
Bandwidth

I.L.
(dB)
Max.

Iso.
(dB)
Min.

VSWR
Max.

Average Power(W)
(FWD/REV)

3.45.5

15%

0.35

20

1.25

40/20

 

 

 

 

 

Operating Power: -40~+70℃
Input/Output: SMA
Finish: Nickel Plated (Default)

For more information: contact us  

 

Frequency
GHz

Relative
Bandwidth

I.L.
(dB)
Max.

Iso.
(dB)
Min.

VSWR
Max.

Average Power(W)
(FWD/REV)

4.06.0

20%

0.30

20

1.25

40/10

4.06.0

Full

0.40

19

1.30

40/10

 

 

 

 

 

 

Operating Power: -40~+70℃
Input/Output: SMA or N type
Finish: Nickel Plated (Default)

For more information: contact us  

 

Frequency
GHz

Relative
Bandwidth

I.L.
(dB)
Max.

Iso.
(dB)
Min.

VSWR
Max.

Average Power(W)
(FWD/REV)

4.06.0

15%

0.30

22

1.20

40/10

4.06.0

20%

0.30

20

1.25

40/10

4.06.0

Full

0.40

19

1.30

40/10

 

 

 

 

 

 

 

Operating Power: -40~+70℃
Input/Output: SMA or N type
Finish: Nickel Plated (Default)

For more information: contact us  

 

Frequency
GHz

Relative
Bandwidth

I.L.
(dB)
Max.

Iso.
(dB)
Min.

VSWR
Max.

Average. Power(W)
(FWD/REV)

6.58.0

20%

0.30

20

1.25

30/20

 

 

 

 

 

Operating Power: -40~+70℃
Input/Output: SMA or N type
Finish: Nickel Plated (Default)

For more information: contact us  

 

Frequency
GHz

Relative
Bandwidth

I.L.
(dB)
Max.

Iso.
(dB)
Max.

VSWR
Max.

Average
Power(W)
(FWD/REV)

4.58.0

20%

0.35

20

1.25

20/1

5.88.5

Full

0.30

20

1.25

20/1

 

 

 

 

 

 

Operating Power: -40~+70℃
Input/Output: SMA
Finish: Nickel Plated (Default)

For more information: contact us  

 

Frequency
GHz

Relative Bandwidth

I.L.
(dB)
Max.

Iso.
(dB)
Min.

VSWR
Max.

Average
Power(W)
(FWD/REV)

7.09.0

20%

0.30

20

1.25

20/1

 

 

 

 

 

Operating Power: -40~+70℃
Input/Output: SMA
Finish: Nickel Plated (Default)

For more information: contact us  

 

Frequency
GHz

Relative Bandwidth

I.L.
(dB)
Max.

Iso.
(dB)
Min.

VSWR
Max.

Average Power(W)
(FWD/REV)

8.511.5

20%

0.30

20

1.25

20/1

 

 

 

 

 

Operating Power: -40~+70℃
Input/Output: SMA
Finish: Nickel Plated (Default)

For more information: contact us  

 

Frequency
GHz

Relative Bandwidth

I.L.
(dB)
Max.

Iso.
(dB)
Min.

VSWR
MAX

Average Power(W)
(FWD/REV)

10.015.0

20%

0.50

20

1.25

20/20








Operating Power: -40~+70℃
Input/Output: SMA
Finish: Nickel Plated (Default)

For more information: contact us  

 

Operating
Frequency
(GHz)

I.L.
(dB)
Max

Iso
(dB)
Min

VSWR
Max

Average
Power (W)
(FWD/REV)

9-14

0.4

18

1.25

20/10

10-15

0.4

18

1.25

20/10

11-16

0.5

18

1.25

20/10












Operating Power: -40~+71℃
Input/Output: SMA
Finish: Gold Plated (Default)

For more information: contact us  

Operating
Frequency
(GHz)

I.L.
(dB)
Max

Iso
(dB)
Min

VSWR
Max

Average
Power (W)
(FWD/REV)

10-12

0.4

18

1.25

20/10

12-14

0.4

18

1.25

20/10

14-16

0.5

18

1.25

20/10

16-18

0.5

18

1.25

20/10










Operating Power: -40~+71℃
Input/Output: SMA
Finish: Gold Plated (Default)

For more information: contact us  

News & Events

TECHNIWAVE sera présent au  SALON INTERNATIONAL DE L'AERONAUTIQUE ET DE L'ESPACE

17 -23 Juin 2019

Paris - Le Bourget

TECHNIWAVE a été sélectionné avec succès pour un projet collaboratif comprenant des entreprises et des centres de recherche de premier plan, tels que III-V lab, XLIM, EGIDE, CNRS, UMS, etc., pour un programme de 3 ans (VeGaN) dédié aux communications en bandes Ka, Q et E utilisant des technologies GaN avancées.

How to join us

TECHNIWAVE

ZA Le Clos de Villarceaux,
35, Rue de Montfort

78770 Thoiry
sales@techniwave.com
phone : +33 (0)1 34843743

Techniwave is looking for partners for the uncovered countries.
For information
Contact Us

Version imprimable | Plan du site
Spécialiste RF HF hyperfréquence © 2019 Techniwave. All rights reserved.

Appel

Email